更新时间:2026-04-29
点击次数: 
【集中供冷要来了,未来不开空调室温26℃?】#你支持集中供冷吗# 集中供冷的概念早在20世纪40年代就有人提出,但受到当时技术条件的影响,其系统的热力系数很低,且经济性也不高,甚至无法和传统的空调系统相比,因此发展并不顺利。从今年起,济南CBD片区开始集中供冷模式试运行,已经覆盖该片区商场、写字楼等约21万平方米范围。
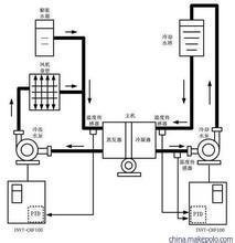
“制冷”与“制热”模式的切换是如何实现的?其实,管网中的媒介始终是水,供冷还是供热取决于水温的高低。
冬季集中供暖时,热源采用章丘电厂余热,通过43.8公里的长输管网将热水输送到CBD片区,再通过热力交换站,将热水送到每一位用户的末端系统,例如暖气片、地暖等。
夏季集中供冷时,使用南部能源中心冷源,利用CBD区域内现有冬季供热管网,把冷冻水输送到位于区域内的换热站,通过冷交换后将7℃-9℃的冷冻水输送到用户的末端风盘系统。
此外,集中供冷也可以手动调节温度。据了解,济南CBD片区用户末端散冷设施均采用风机盘管形式,该种设备自带温度控制面板,用户可以根据需求自主调节室内温度。
电子邮箱: facai@126.com
热线电话: 0755-89800918
公司地址: 深圳市南山区粤海街道高新区社区深圳湾创新科技中心2栋A座22层栋A座22层